
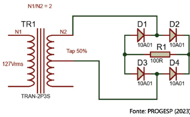
Na figura acima, há um transformador ideal com tensão primária de 127 Vrms. O seu secundário está ligado ao retificador de onda completa em ponte. Determinar. a corrente média aproximada na carga, adotando o modelo de diodo ideal. Considere como carga o resistor de \( 100 \Omega \) e N2 o enrolamento total do secundário.