
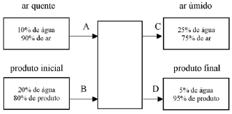
Em um processamento, deve-se secar 8.000 kg de um produto que contém 20% de água com ar quente, contendo 10% de água. O produto final apresenta 5% de água, e o ar sai com 25% de água. Todas as porcentagens citadas são em massa.
Considerando-se o diagrama desse processo e os dados apresentados, julgue o próximo item.
A massa de ar quente necessária no processo é superior a 6.400 kg.