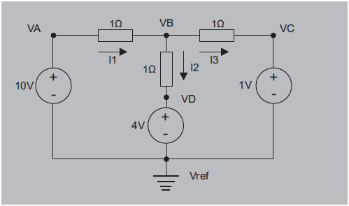
Um circuito elétrico pode ser composto por várias malhas, constituídas por elementos que geram ou absorvem energia elétrica, conforme mostrado a seguir.

Sobre o circuito acima, analise as seguintes afirmativas:
I - Para se calcular a tensão no nó VB em relação ao nó de referência (Vref = 0 V), pode-se utilizar uma das Leis de Kirchhoff, que diz que a soma algébrica das correntes em um nó é igual a zero, obtendo-se VB= 5 V.
II - Para se calcular a tensão no nó VB em relação ao nó de referência (Vref = 0 V), pode-se utilizar uma das Leis de Kirchhoff, que diz que a soma das quedas de tensão em uma malha é igual a zero, obtendo-se VB= 4,3 V.
III - Invertendo-se a polaridade da fonte de 1 V, a corrente que circula pelo resistor em série com essa fonte de 1 V aumenta para 5,33A.
IV - Invertendo-se a polaridade da fonte de 1 V, a corrente que circula pelo resistor em série com a fonte de 4 V aumenta para 1A.
Está(ão) correta(s)