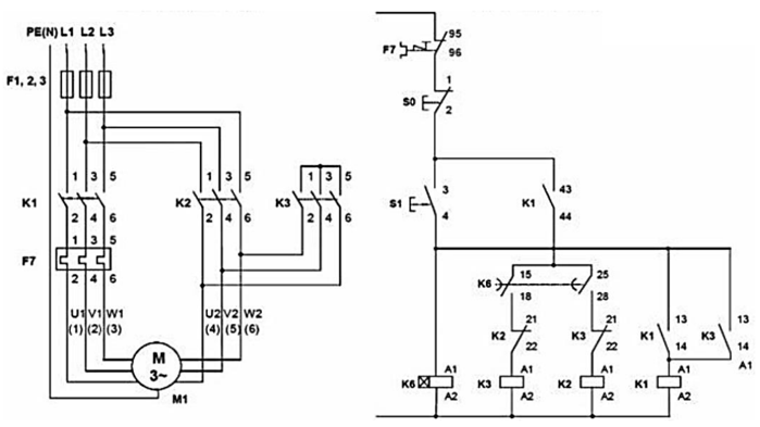
O circuito de comando elétrico automático, a seguir, aciona um motor trifásico. Qual a sequência de chaves magnéticas (contatores e relé temporizado) é acionada de cada vez?

O circuito de comando elétrico automático, a seguir, aciona um motor trifásico. Qual a sequência de chaves magnéticas (contatores e relé temporizado) é acionada de cada vez?
