Magna Concursos
245949 Ano: 2015
Disciplina: Engenharia Elétrica
Banca: CESGRANRIO
Orgão: Liquigás
Provas:

enunciado 245949-1

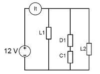
O circuito de emergência mostrado acima corresponde à instalação em uma sala de equipamentos elétricos. Nesse circuito, L1 é uma lâmpada incandescente de potência elétrica 36 W, D1 é um desumidificador de resistência 1Ω, C1 é um carregador de resistência 3Ω e L2 é uma lâmpada de resistência desconhecida.

Sabendo-se que o amperímetro It está acusando corrente elétrica de 12 A, o valor da resistência, em Ω, da lâmpada L2 é

 

Provas

Questão presente nas seguintes provas

Técnico - Instalações

40 Questões