Magna Concursos
3451483 Ano: 2024
Disciplina: Engenharia Elétrica
Banca: ACAFE
Orgão: CELESC
Provas:

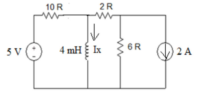
O circuito abaixo está na situação indicada por um tempo muito longo. A corrente de carga no indutor (Ix) é:

Enunciado 3982380-1

 

Provas

Questão presente nas seguintes provas

Engenheiro Eletricista

60 Questões