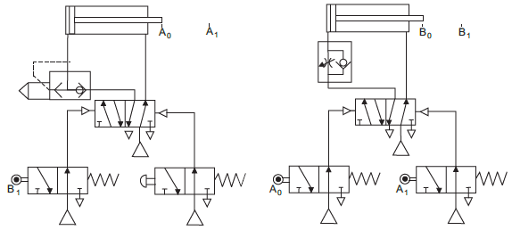
Observe o circuito pneumático na figura abaixo e responda a questão.

O controle de velocidade pode ser ajustado no(s) seguinte(s) movimento(s):
Observe o circuito pneumático na figura abaixo e responda a questão.

O controle de velocidade pode ser ajustado no(s) seguinte(s) movimento(s):