Observe a figura a seguir com as dimensões dadas em mm.

Qual o valor do diâmetro externo X, em mm, da arruela representada na figura acima?
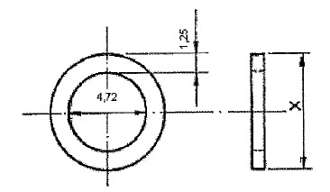
Observe a figura a seguir com as dimensões dadas em mm.

Qual o valor do diâmetro externo X, em mm, da arruela representada na figura acima?