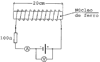
Considere a figura a seguir.

O núcleo de ferro do eletroímã representado acima possui 20cm de comprimento e a bobina tem 5000 espiras. A corrente que a atravessa gera um campo magnético de intensidade igual a 2000Ae/m. Desprezando-se as resistências internas da fonte e do fio da bobina, quais são os valores indicados no voltímetro e no amperímetro, respectivamente?
Provas
Questão presente nas seguintes provas
Corpo Auxiliar de Praças - Eletroeletrônica
50 Questões