Magna Concursos
Questões
Planos
Entrar
Entrar
Criar Conta
Respondida
1370783
Ano:
2010
Disciplina:
Engenharia Mecânica
Banca:
IF-PE
Orgão:
IF-PE
Provas:
Técnico de Laboratório - Automação
Provas
×
Controle e Automação
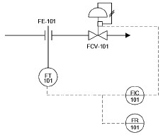
A respeito da malha da figura abaixo, qual a afirmativa ERRADA?
A
FIC significa controlador de fluxo de corrente.
B
O sistema representa um controle de vazão, em que o elemento atuador é uma válvula pilotada por sinal pneumático.
C
O sinal emitido pelo transmissor é do tipo elétrico.
D
O elemento primário trata-se de uma placa de orifício.
E
FR é um registrador de valores de vazão.
Resolver
Comentários
0
×
Cadernos
×
Flashcards
×
Estatísticas
×
Reportar um erro
×
Provas
Questão presente nas seguintes provas
Técnico de Laboratório - Automação
40 Questões
Resolver Prova
Publicar
Responder
Qual o problema da questão?
Selecione uma opção
Questão Desatualizada
Questão Repetida
Gabarito Errado
Outros Motivos
Mensagem
Enviar
Acessar
Criar Conta
Acesse sua Conta
Google
Facebook
Esqueci minha senha
Acessar
Ainda não tem conta?
Crie uma
!
Crie uma Conta
Criar Conta
Olá, para continuar, precisamos criar uma conta!
É
rápido
e
grátis
.
Google
Facebook
Concordo com os
Termos de Uso
Criar
Já tem uma conta?
Acesse aqui