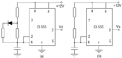
Considere as afirmativas I, II e III a respeito do circuito da figura abaixo. Assinale a alternativa que contém a(s) afirmativa(s) CORRETA(S):

I. O circuito (a) faz o CI 555 operar na configuração Astável.
II. O circuito (b) faz o CI 555 operar no modo Monoestável.
III. Ambos os circuitos (a) e (b) operam no mesmo modo, Astável.