Magna Concursos
3321377 Ano: 2024
Disciplina: Engenharia Eletrônica
Banca: Verbena
Orgão: IFS
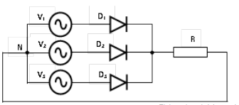
O circuito de um retificador trifásico alimentando uma carga resistiva é representado pela figura a seguir.


Enunciado 3747103-1


Elaborado pelo(a) autor(a).



Se a tensão da rede de cada fonte é de 220Vef e 60Hz, então o valor médio da tensão na carga resistiva (R) de 50 ohms é
 

Provas

Questão presente nas seguintes provas

Professor PEBTT - Eletrônica

60 Questões