Magna Concursos
3248797 Ano: 2015
Disciplina: Engenharia Eletrônica
Banca: UFMA
Orgão: IF-MA

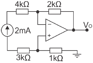
Qual o valor da tensão de saída VO em relação ao terra no circuito mostrado abaixo?

Enunciado 3248797-1

 

Provas

Questão presente nas seguintes provas

Professor PEBTT - Engenharia Eletrônica

60 Questões