Magna Concursos
2780087 Ano: 2014
Disciplina: Engenharia Eletrônica
Banca: FCC
Orgão: METRO-SP

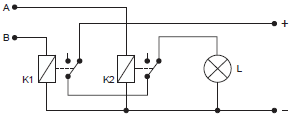
Considere o circuito dado a seguir:

Enunciado 3370675-1

Para acionamento da lâmpada, o circuito de relés executa a função lógica

 

Provas

Questão presente nas seguintes provas

Técnico Sistemas Metroviários - Elétrica

60 Questões