Magna Concursos
3235300 Ano: 2014
Disciplina: Engenharia Elétrica
Banca: UFPR
Orgão: Itaipu

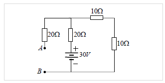
Considere o circuito elétrico mostrado ao lado.

Enunciado 3576223-1

A corrente de curto-circuito medida entre os terminais A e B, ou seja, a corrente fornecida pela fonte de corrente independente do circuito equivalente de Norton visto entre os terminais A e B, é igual a:

 

Provas

Questão presente nas seguintes provas