Observe o circuito a seguir.

Na fonte de alimentação representada pela figura acima, o LM340-5 é o circuito integrado (CI) regulador de tensão. Logo, é INCORRETO afirmar que:
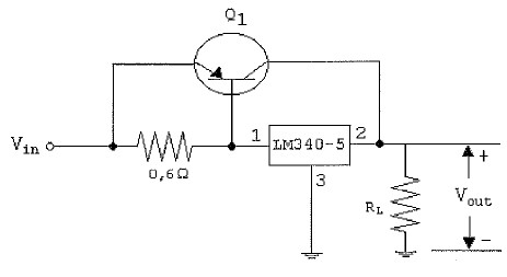
Observe o circuito a seguir.

Na fonte de alimentação representada pela figura acima, o LM340-5 é o circuito integrado (CI) regulador de tensão. Logo, é INCORRETO afirmar que: