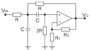
O circuito mostrado na figura abaixo é constituído por um amplificador operacional, cinco resistores e dois capacitores. Pode-se afirmar que esse circuito implementa a função de transferência de um:

O circuito mostrado na figura abaixo é constituído por um amplificador operacional, cinco resistores e dois capacitores. Pode-se afirmar que esse circuito implementa a função de transferência de um:
