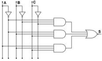
Considerando a tabela da verdade com os sinais lógicos de entrada das variáveis A, B e C abaixo, assinale a alternativa que CORRESPONDE o circuito lógico da saída de S1.

Considerando a tabela da verdade com os sinais lógicos de entrada das variáveis A, B e C abaixo, assinale a alternativa que CORRESPONDE o circuito lógico da saída de S1.
