Magna Concursos
Questões
Planos
Entrar
Entrar
Criar Conta
Respondida
2058712
Ano:
2013
Disciplina:
TI - Desenvolvimento de Sistemas
Banca:
FUNCAB
Orgão:
IF-RR
Provas:
Analista de TI
Provas
×
Engenharia de Software
UML: Unified Modeling Language
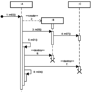
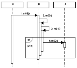
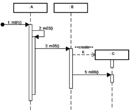
A figura a seguir exibe um diagrama de classes UML composto por 3 classes:
Qual diagrama de sequência UML é compatível com as classes acima, além ser sintaticamente
correto
?
A
B
C
D
E
Resolver
Comentários
0
×
Cadernos
×
Flashcards
×
Estatísticas
×
Reportar um erro
×
Provas
Questão presente nas seguintes provas
Analista de TI
60 Questões
Resolver Prova
Publicar
Responder
Qual o problema da questão?
Selecione uma opção
Questão Desatualizada
Questão Repetida
Gabarito Errado
Outros Motivos
Mensagem
Enviar
Acessar
Criar Conta
Acesse sua Conta
Google
Facebook
Esqueci minha senha
Acessar
Ainda não tem conta?
Crie uma
!
Crie uma Conta
Criar Conta
Olá, para continuar, precisamos criar uma conta!
É
rápido
e
grátis
.
Google
Facebook
Concordo com os
Termos de Uso
Criar
Já tem uma conta?
Acesse aqui