Observe o circuito da figura a seguir.

Elaborado pelo(a) autor(a).
Qual a resistência equivalente vista entre os terminais A e B?
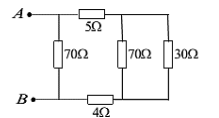
Observe o circuito da figura a seguir.

Elaborado pelo(a) autor(a).
Qual a resistência equivalente vista entre os terminais A e B?