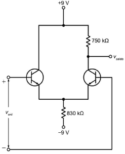
A figura a seguir demonstra como obter um amplificador diferencial a partir de dois transistores bipolares, onde vent e vsaída são as tensões de entrada e de saída do circuito. Considerando que ambos os transistores são idênticos e que a tensão base-emissor seja igual a 0,7 V, para vent = 0, qual o valor da vsaída?
