Magna Concursos
992992 Ano: 2014
Disciplina: Engenharia Elétrica
Banca: CESGRANRIO
Orgão: Liquigás
Provas:
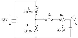
Considere que o circuito da Figura abaixo está inicialmente operando em regime permanente com a chave S1 aberta e o capacitor C completamente descarregado.

enunciado 992992-1

Dessa forma, qual deve ser o valor da resistência elétrica de R2 , em ohms, para que a corrente i C no capacitor seja de 5,0 mA, imediatamente após o fechamento da chave ideal S1 ?
 

Provas

Questão presente nas seguintes provas

Engenheiro Eletricista

70 Questões