Observe o esquemático abaixo.

Considerando a lógica positiva (“0” lógico corresponde a 0 V e “1” lógico corresponde a Vcc), o esquemático acima em tecnologia CMOS, representa uma porta lógica
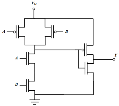
Observe o esquemático abaixo.

Considerando a lógica positiva (“0” lógico corresponde a 0 V e “1” lógico corresponde a Vcc), o esquemático acima em tecnologia CMOS, representa uma porta lógica