
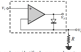
O diodo pode ser identificado como o elemento não -linear fundamental em circuitos eletrônicos, sendo que a sua aplicação em circuitos retificadores é ampla. Considerando o circuito esquematizado na figura acima e o comportamento esperado dos retificadores de precisão ideal, julgue o item subsequente.

O diodo pode ser identificado como o elemento não -linear fundamental em circuitos eletrônicos, sendo que a sua aplicação em circuitos retificadores é ampla. Considerando o circuito esquematizado na figura acima e o comportamento esperado dos retificadores de precisão ideal, julgue o item subsequente.
Utilizando-se um par de retificadores de precisão, é possível conceber um retificador de onda completa.