Seja o sistema de comando para acionamento de motores conforme o esquema simplificado a seguir.

Sabe-se que a chave S2 possui um retardo de Δt segundos para mudar de estado. Nessas condições, é CORRETO afirmar que:
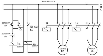
Seja o sistema de comando para acionamento de motores conforme o esquema simplificado a seguir.

Sabe-se que a chave S2 possui um retardo de Δt segundos para mudar de estado. Nessas condições, é CORRETO afirmar que: