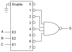
Observe a figura abaixo.

A figura ilustra um decodificador com 3 entradas e 8 saídas, sendo que o sinal de entrada E3 representa o bit mais significativo.
De acordo com o circuito digital implementado, o Mapa de Karnaugh, referente ao sinal lógico S, é: