Para responder à questão, considere a Figura 5 e a Tabela 6.
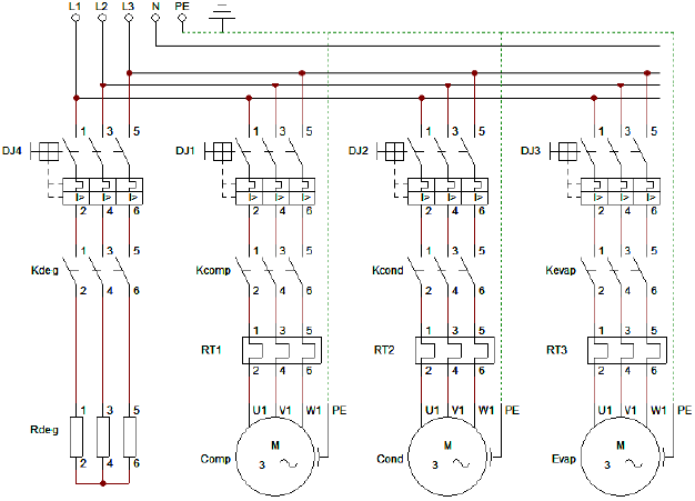
Figura 5 – Circuitos de comando e força


Tabela 6: Legenda com a nomenclatura dos elementos do circuito.
| Dispositivo | Descrição |
| E | Chave de emergência |
| S1 | Chave geral liga/desliga |
| P | Pressostato |
| CT | Controlador de temperatura |
| Sp | Chave para detecção de porta aberta |
| Ti | Temporizador cíclico |
| RTx | Relés térmicos 1, 2 e 3 |
| Kaux | Contatora auxiliar |
| Kcomp | Contatora de acionamento do compressor |
| Kcond | Contatora de acionamento do motoventilador do condensador |
| Kevap | Contatora de acionamento do motoventilador do evaporador |
| Kdeg | Contatora de acionamento das resistências de degelo |
| DJx | Disjuntores 1, 2, 3 e 4 |
| Comp | Motor do compressor |
| Cond | Motor do condensador |
| Evap | Motor do evaporador |
O circuito elétrico de uma câmara frigorífica, representado através dos circuitos de comando e força da Figura 5, é usado para o controle e proteção de uma câmara frigorífica com degelo através de resistências elétricas. De acordo com a lógica de funcionamento do circuito, afirma-se que,