3034347
Ano: 2023
Disciplina: Engenharia Eletrônica
Banca: FUNDATEC
Orgão: Pref. Sapucaia Sul-RS
Disciplina: Engenharia Eletrônica
Banca: FUNDATEC
Orgão: Pref. Sapucaia Sul-RS
Provas:
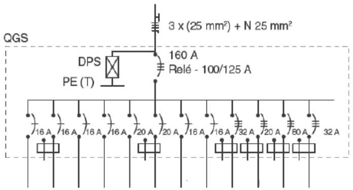
Analise o seguinte diagrama unifilar do circuito de cargas e serviço de um edifício residencial:

A quantidade de saídas trifásicas presentes nesse diagrama é: