Magna Concursos
Questões
Planos
Entrar
Entrar
Criar Conta
Respondida
1101572
Ano:
2019
Disciplina:
Engenharia Eletrônica
Banca:
DIRENS Aeronáutica
Orgão:
CIAAR
Provas:
EAOEAR - Engenharia Eletrônica
Provas
×
Circuitos multiplexadores e demultiplexadores
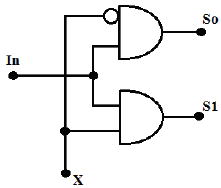
Avalie o esquema elétrico a seguir.
Fonte: Arquivo da Banca Elaboradora.
Sobre o esquema elétrico apresentado, é correto afirmar que se trata do circuito do tipo
A
multiplexador.
B
demultiplexador.
C
detector de paridade.
D
comparador de níveis.
Resolver
Comentários
0
×
Cadernos
×
Flashcards
×
Estatísticas
×
Reportar um erro
×
Provas
Questão presente nas seguintes provas
EAOEAR - Engenharia Eletrônica
60 Questões
Resolver Prova
Publicar
Responder
Qual o problema da questão?
Selecione uma opção
Questão Desatualizada
Questão Repetida
Gabarito Errado
Outros Motivos
Mensagem
Enviar
Acessar
Criar Conta
Acesse sua Conta
Google
Facebook
Esqueci minha senha
Acessar
Ainda não tem conta?
Crie uma
!
Crie uma Conta
Criar Conta
Olá, para continuar, precisamos criar uma conta!
É
rápido
e
grátis
.
Google
Facebook
Concordo com os
Termos de Uso
Criar
Já tem uma conta?
Acesse aqui