Observe o circuito apresentado.

Para o circuito da figura acima, qual o valor da tensão sobre o resistor R1, sabendo-se que a tensão de saída Vs é igual a +220mV?. Considere o amplificador operacional como sendo ideal.
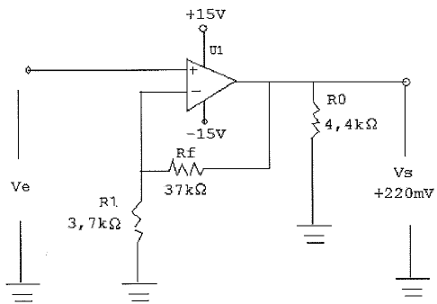
Observe o circuito apresentado.

Para o circuito da figura acima, qual o valor da tensão sobre o resistor R1, sabendo-se que a tensão de saída Vs é igual a +220mV?. Considere o amplificador operacional como sendo ideal.