Magna Concursos
2189358 Ano: 2022
Disciplina: Engenharia Eletrônica
Banca: DIRENS Aeronáutica
Orgão: EEAr
Provas:

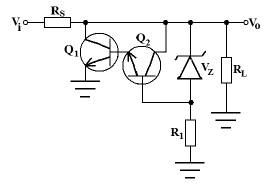
Indique o valor da tensão em RL, segundo o circuito abaixo.

Enunciado 3339031-1

 

Provas

Questão presente nas seguintes provas

EAGS - Eletrônica

100 Questões