Magna Concursos
3425678 Ano: 2022
Disciplina: Engenharia Eletrônica
Banca: UFG
Orgão: Pref. Goiânia-GO
Provas:

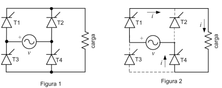
A figura 1 a seguir representa um retificador monofásico de onda completa a tiristor alimentando uma carga resistiva. A fonte de alimentação é v = Vm sen(ωt). A figura 2 mostra um dos quatro estágios de funcionamento do retificador. Nessa figura, as linhas cheias indicam passagem de corrente. O ângulo de disparo dos tiristores é denominado α.

Enunciado 3934200-1

O estágio de funcionamento mostrado na figura 2, no qual os tiristores T1 e T4 estão em condução, corresponde ao intervalo

 

Provas

Questão presente nas seguintes provas

Engenheiro Eletricista

50 Questões