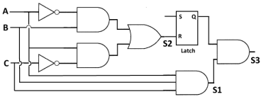
O circuito lógico abaixo permite acionar um dispositivo ligado na saída (S3), quando a sequência correta de fechamento das chaves A, B e C for realizada. Caso a sequência fornecida esteja incorreta, o Latch, inicialmente com a saída Q = 1, irá impedir que a saída S3 vá para o nível alto.

A sequência correta de fechamento das chaves A, B e C, nessa ordem, é: