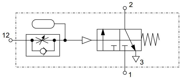
Nos circuitos pneumáticos são utilizados diferentes tipos de válvulas para controlar o movimento dos atuadores.

Na figura, qual o tipo de válvula representada?
Nos circuitos pneumáticos são utilizados diferentes tipos de válvulas para controlar o movimento dos atuadores.

Na figura, qual o tipo de válvula representada?