- EletromagnetismoElétricaAssociação de Resistores
- EletromagnetismoElétricaCircuitos Elétricos Especiais: Leis de Kirchhoff e Ponte de Wheatstone
- EletromagnetismoElétricaEletricidade
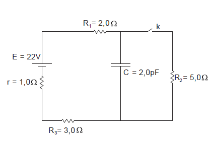
Considere o circuito elétrico, esquematizado abaixo, constituído por um gerador (E =22 V, r = 1,0 Ω), três resistores (R1 = 2,0 Ω, R2 = 5,0 Ω e R3 = 3,0 Ω), um capacitor (C = 2,0 pF) e uma chave interruptora (k).

A relação entre a quantidade de carga elétrica armazenada no capacitor quando a chave k aberta e aquela quando k está fechada vale