Magna Concursos
1627381 Ano: 2018
Disciplina: Engenharia Elétrica
Banca: FUMARC
Orgão: CEMIG
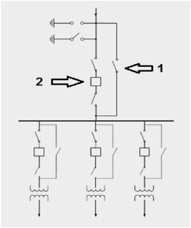
A figura abaixo apresenta um arranjo de barra simples, normalmente aplicado a subestações de distribuição.
Enunciado 2850695-1
A respeito desse arranjo podemos afirmar, EXCETO:
 

Provas

Questão presente nas seguintes provas