Magna Concursos
979554 Ano: 2012
Disciplina: Engenharia Elétrica
Banca: CESPE / CEBRASPE
Orgão: INPE
Provas:

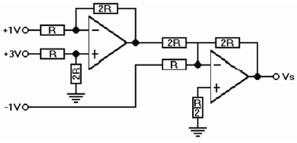
No circuito abaixo, o valor da tensão de saída Vs é

Enunciado 979554-1

 

Provas

Questão presente nas seguintes provas

Técnico do INPE - TM11

35 Questões