O circuito mostrado abaixo usa componentes ideais para constituir um filtro ativo com topologia Sallen-Key.

Sendo R1 = R2 = 1 k\( \Omega \) os valores de C1 e C2 para se obter uma resposta Butterworth com frequência de corte de 1000 rad/s são:
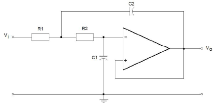
O circuito mostrado abaixo usa componentes ideais para constituir um filtro ativo com topologia Sallen-Key.

Sendo R1 = R2 = 1 k\( \Omega \) os valores de C1 e C2 para se obter uma resposta Butterworth com frequência de corte de 1000 rad/s são: