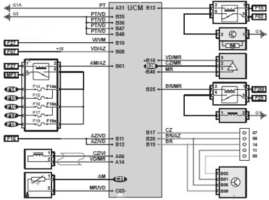
Observe a imagem a seguir.

Disponível em: <www.webautomotivo.com.br>. Acesso em: 26 dez. 2023. [Adaptado].
O diagrama elétrico automotivo a seguir representa um mapa das conexões elétricas entre componentes de um sistema. A partir da figura, verifica-se nela a presença de um