Magna Concursos
2697288 Ano: 2004
Disciplina: Engenharia Elétrica
Banca: CESPE / CEBRASPE
Orgão: Petrobrás

Enunciado 3283125-1

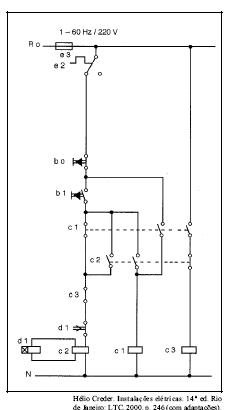
A figura acima mostra o diagrama de controle do acionamento de um motor de indução trifásico de rotor em gaiola. Julgue os seguintes itens, relativos ao acionamento e ao diagrama.

O relé temporizado é energizado simultaneamente à bobina do contator c2, após o botão b1 ser pressionado.

 

Provas

Questão presente nas seguintes provas