Analise o circuito a seguir.

A porta lógica CMOS do circuito acima apresenta entradas Schimitt-Trigger. Em relação à funcionalidade desse circuito, é correto afirmar que a saídas
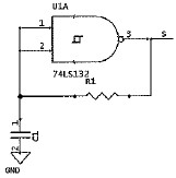
Analise o circuito a seguir.

A porta lógica CMOS do circuito acima apresenta entradas Schimitt-Trigger. Em relação à funcionalidade desse circuito, é correto afirmar que a saídas