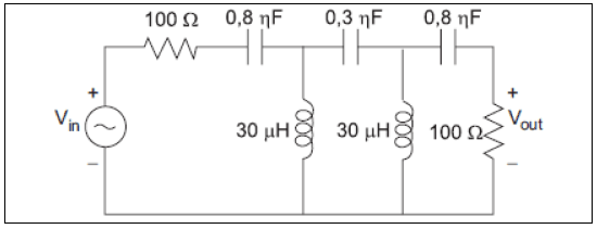
A figura abaixo ilustra um circuito alimentado por uma fonte de tensão alternada senoidal.

O comportamento desse circuito, em termos de resposta em frequência, corresponde a um filtro:
A figura abaixo ilustra um circuito alimentado por uma fonte de tensão alternada senoidal.

O comportamento desse circuito, em termos de resposta em frequência, corresponde a um filtro: