
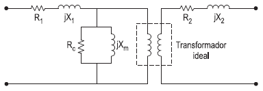
A modelagem de um transformador em regime permanente é importante na análise de sua operação em um sistema elétrico de potência. A Figura acima mostra a modelagem utilizada na solução clássica desse tipo de análise, sendo: R1 e X1 a resistência e a reatância de dispersão do enrolamento primário, respectivamente; R2 e X2 a resistência e a reatância de dispersão do enrolamento secundário, respectivamente; RC a resistência representativa das perdas por histerese e por correntes parasitas no ferro do núcleo do transformador; Xm a reatância de magnetização do transformador. Todos esses parâmetros são estimados através dos ensaios de curto-circuito e de circuito aberto, sendo ambos necessários para a modelagem total do equipamento. Nesses ensaios, os valores de cada parâmetro são estimados a partir de simplificações adotadas, sendo: R1 = R2, X1 = X2 e a impedância do ramo de excitação muito maior que as impedâncias dos enrolamentos.
Quais parâmetros são determinados no ensaio de curto-circuito e no ensaio de circuito aberto do transformador
| Ensaio de circuito aberto |
Ensaio de curto-circuito |