O diodo emissor de luz (LED, em inglês Light-Emitting Diode) é um tipo de componente eletrônico semicondutor que emite luz e tem ampla utilização na eletrônica. As luminárias de letra utilizando LEDs são frequentemente objeto de projetos para sinalização luminosa e devido ao baixo custo dos componentes possuem larga aplicação.
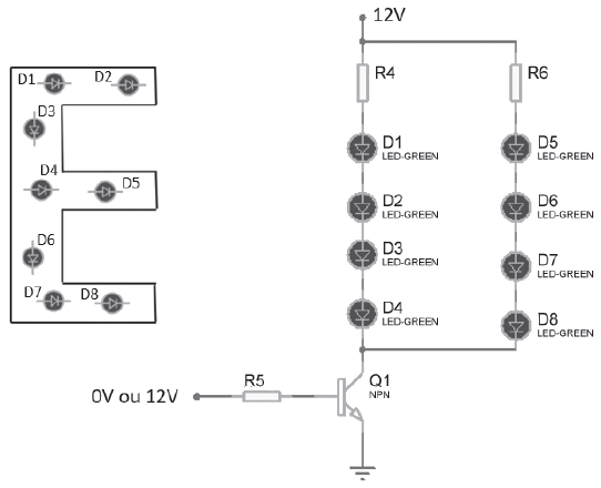
Um exemplo de circuito projetado para iluminar a letra E é mostrado a seguir. Foram utilizados 8 LEDs acionados por um transistor operando como chave. A alimentação do circuito é de 12 V. Como dados do projeto, considere a tensão coletor-emissor de saturação do transistor VCESAT = 1,0V, corrente do LED ILED = 20mA e tensão do LED VLED = 2,0V.

Para o projeto desse circuito, pergunta-se quais serão, respectivamente, o valor de R4 e a corrente que passará pelo coletor do transistor Q1?