Magna Concursos
2170072 Ano: 2022
Disciplina: Engenharia Elétrica
Banca: CEFET-MG
Orgão: CEFET-MG
Provas:

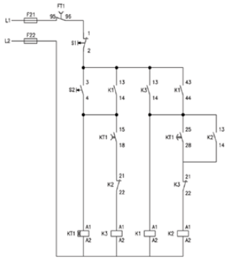
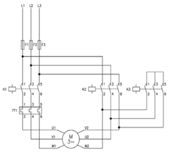
Considere o diagrama de uma chave de partida estrela-triângulo.

Enunciado 2170072-1

Enunciado 2170072-2

Com relação a esse diagrama, é correto afirmar que

 

Provas

Questão presente nas seguintes provas

Técnico de Eletrotécnica

50 Questões