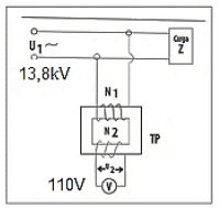
De acordo com o circuito representado pela figura, a ligação de um transformador de potencial TP é ilustrada.

Assinale a alternativa correta sobre as características de funcionamento e instalação de um TP.
De acordo com o circuito representado pela figura, a ligação de um transformador de potencial TP é ilustrada.

Assinale a alternativa correta sobre as características de funcionamento e instalação de um TP.