Magna Concursos
2912052 Ano: 2023
Disciplina: Serviços Gerais
Banca: VUNESP
Orgão: EPC

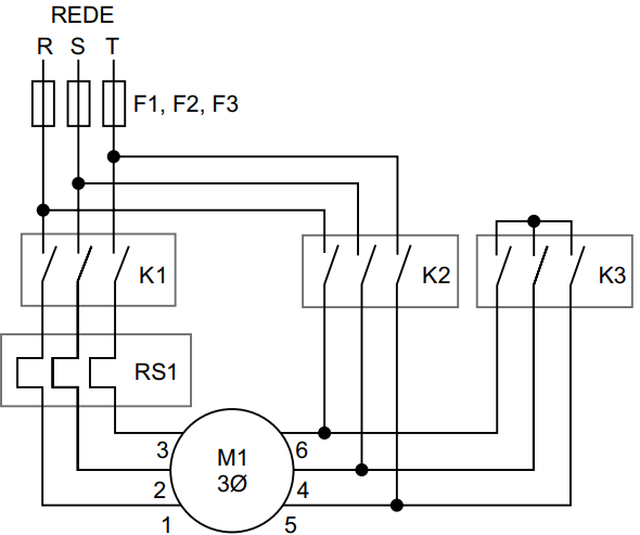
Uma chave de partida tem seu circuito de força mostrado na figura a seguir.

Enunciado 3198440-1

O motor de indução trifásico M1 tem os seguintes dados de placa: tensão nominal: 220/380 V; corrente nominal: 59 / 34 A; fator de serviço: 1,15. Para operação nessas condições, o ajuste do relé de sobrecarga será:

 

Provas

Questão presente nas seguintes provas

Eletricista - Manutenção Industrial

100 Questões