Magna Concursos
1405139 Ano: 2012
Disciplina: Engenharia Elétrica
Banca: UNEB
Orgão: CERB
Enunciado 1405139-1
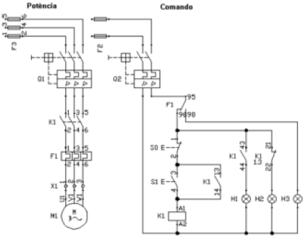
No circuito apresentado, a lâmpada H3 está acesa. O estado do circuito indica que
 

Provas

Questão presente nas seguintes provas

Oficial de Manutenção - Elétrica

40 Questões