- Transformadores e Máquinas ElétricasMáquinas Síncronas
- Transformadores e Máquinas ElétricasMáquina de Indução
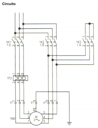
Analise o circuito de força de um motor e sua especificação a seguir.

Especificação
• Motor de 30 cv
• Tensão nominal: 220 V
• Quatro polos
• Corrente nominal: 75,5 A
• Ip/In = 7,5
• Seis terminais
• Fator de serviço: 1,15
• Tempo de partida: 7s
• Fator de potência: 0,85
• Rendimento: 91,7%
Analise as afirmativas a seguir referentes ao dimensionamento dos componentes do circuito de força desse motor, assinalando com V as verdadeiras e com F as falsas.
( ) Em regime permanente, os contatores devem suportar a corrente nominal, acrescida em 15% referente ao fator de serviço.
( ) O dimensionamento dos componentes desse circuito de força se fará seguindo os mesmos procedimentos utilizados para uma chave de partida direta.
( ) O relé térmico será dimensionado em função da corrente nominal do motor a fim de obter sua eficiência máxima.
( ) O fusível será dimensionado em função da corrente de partida da chave utilizada e do tempo de partida necessário para esse motor.
Assinale a sequência CORRETA.