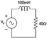
O diagrama a seguir ilustra um circuito monofásico, operando em regime permanente e alimentado por uma fonte de tensão ideal de valor instantâneo vF = 100!$ \sqrt{2} !$ sen(300t).

A potência dissipada no resistor, em W, é
O diagrama a seguir ilustra um circuito monofásico, operando em regime permanente e alimentado por uma fonte de tensão ideal de valor instantâneo vF = 100!$ \sqrt{2} !$ sen(300t).

A potência dissipada no resistor, em W, é